F1200 測力稱重傳感器
-
分類:耐創 Forcechina
型號:F1200 測力稱重傳感器
品牌:
瀏覽:
專線:400-877-3100
- 立即訂購 400-877-3100
跟此相關的產品
-
產品詳情
-
聯系我們
F1200 測力稱重傳感器
F1200 型輪輻式傳感器,其彈性體采用短而高的剪切梁,剛性特好,側向力強,在結構上具有過載自鎖功能
量程:2.5-50T
量程:2.5-50T
非 線 性:0.3%F.S.
滯 后:0.5%F.S.
重 復 性:0.3%F.S.
蠕 變:0.3%F.S.
靈 敏 度:2.0±0.005 mV/V
零 點 輸出:±2% F.S.
零點溫度系數:0.02~0.05%FS/10℃
額定輸出溫度系數:0.02~0.05%FS/10℃
輸出電阻:350Ω
輸入電阻:380Ω
絕緣電阻:≥5000MΩ
供橋電壓:15 V
使用溫度范圍:-30~+70℃
過載保護:120%
防護等級:IP67
關鍵詞:輪輻式稱重傳感器,稱重傳感器,測力傳感器,力傳感器,輪輻式測力傳感器
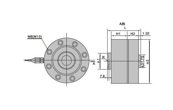
選型尺寸圖

滯 后:0.5%F.S.
重 復 性:0.3%F.S.
蠕 變:0.3%F.S.
靈 敏 度:2.0±0.005 mV/V
零 點 輸出:±2% F.S.
零點溫度系數:0.02~0.05%FS/10℃
額定輸出溫度系數:0.02~0.05%FS/10℃
輸出電阻:350Ω
輸入電阻:380Ω
絕緣電阻:≥5000MΩ
供橋電壓:15 V
使用溫度范圍:-30~+70℃
過載保護:120%
防護等級:IP67
關鍵詞:輪輻式稱重傳感器,稱重傳感器,測力傳感器,力傳感器,輪輻式測力傳感器
選型尺寸圖

| 量程 | 尺寸 mm | ||||||
| Lb | t | Φ | R | L | H1 | H2 | Φ2 |
| 5-10K | 2~5 | 34 | 16 | 64 | 32 | 19 | 106 |
| 25-50K | 10~25 | 41 | 22 | 79 | 47 | 24 | 122 |
| 100K | 50 | 51 | 22 | 88 | 51 | 29 | 143 |
?
訂購此產品
??
?

